中山市标准信息服务平台 中山市标准信息服务平台

中山市标准信息服务平台
退出登录
×

用户登录

注册账号

  • 首页
  • 标准动态
  • 地方标准
  • 标准体系
  • 标准化研究
  • 标准化知识
  • 标准图书
  • 法律法规
  • 服务目录
  • 关于我们
home-icon 首页 // 标准体系 // 电梯 // 电梯产业标准体系明细表
电梯

电梯

  • 体系框架

    • 电梯产业标准体系框架

  • 体系明细表

    • 电梯产业标准体系明细表

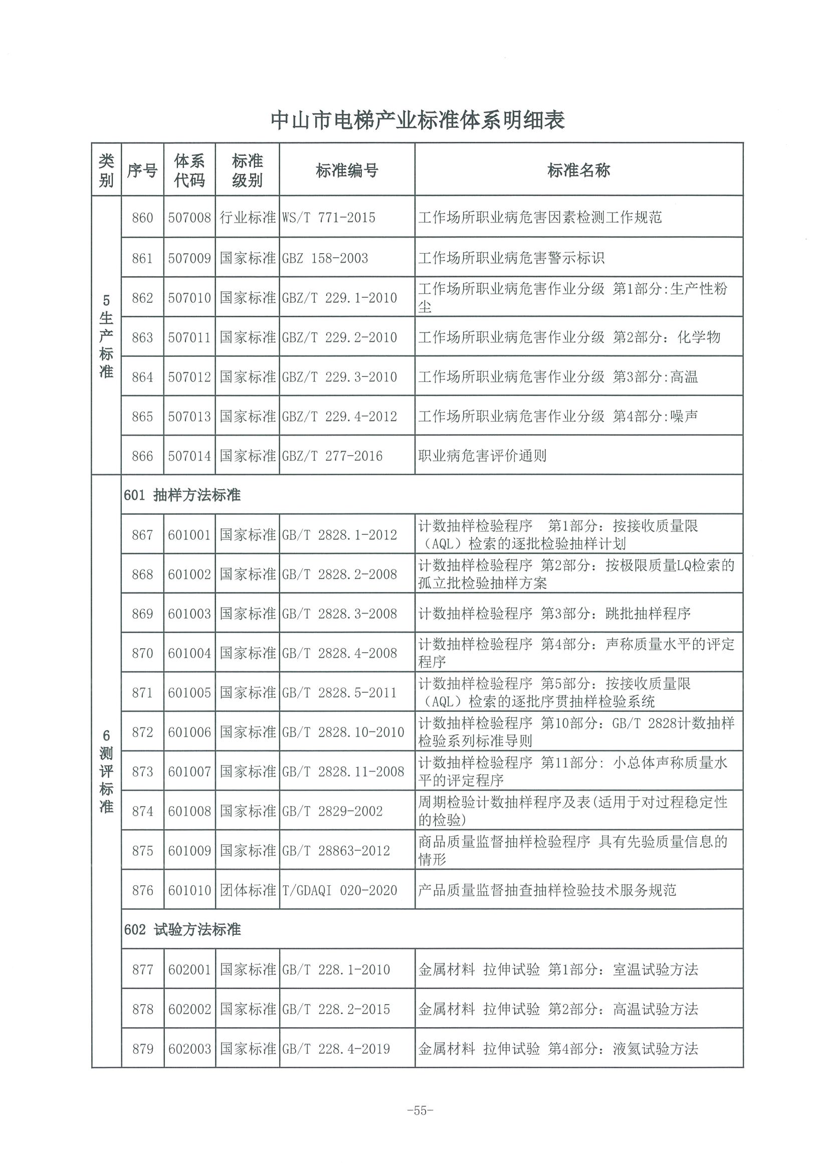
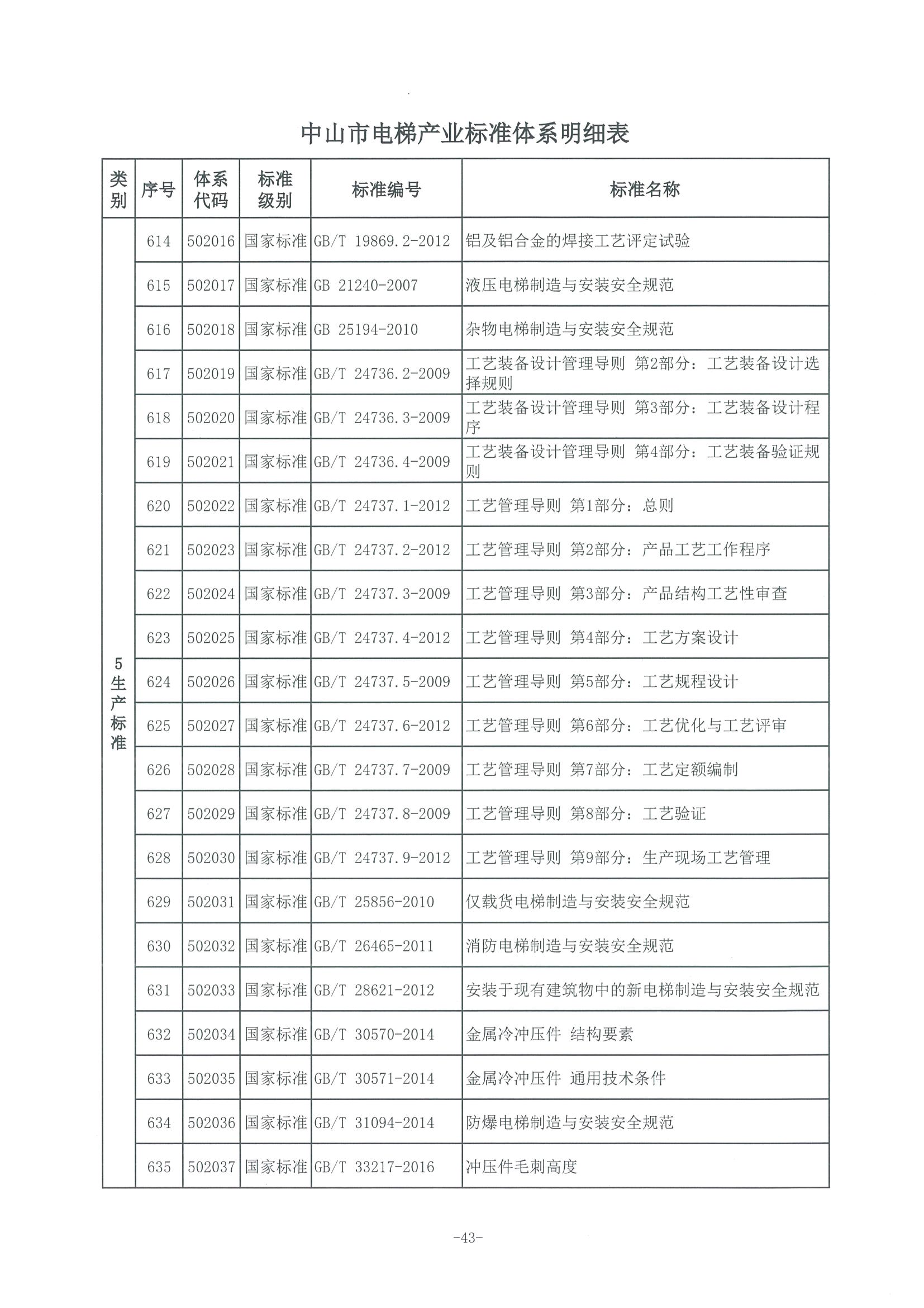
电梯产业标准体系明细表


4、中市监函〔2021〕301号   中山市市场监督管理局关于印发中山市电梯产业标准体系的通知_页面_18.jpg4、中市监函〔2021〕301号   中山市市场监督管理局关于印发中山市电梯产业标准体系的通知_页面_17.jpg4、中市监函〔2021〕301号   中山市市场监督管理局关于印发中山市电梯产业标准体系的通知_页面_16.jpg4、中市监函〔2021〕301号   中山市市场监督管理局关于印发中山市电梯产业标准体系的通知_页面_15.jpg4、中市监函〔2021〕301号   中山市市场监督管理局关于印发中山市电梯产业标准体系的通知_页面_14.jpg4、中市监函〔2021〕301号   中山市市场监督管理局关于印发中山市电梯产业标准体系的通知_页面_13.jpg4、中市监函〔2021〕301号   中山市市场监督管理局关于印发中山市电梯产业标准体系的通知_页面_71.jpg4、中市监函〔2021〕301号   中山市市场监督管理局关于印发中山市电梯产业标准体系的通知_页面_70.jpg4、中市监函〔2021〕301号   中山市市场监督管理局关于印发中山市电梯产业标准体系的通知_页面_69.jpg4、中市监函〔2021〕301号   中山市市场监督管理局关于印发中山市电梯产业标准体系的通知_页面_68.jpg4、中市监函〔2021〕301号   中山市市场监督管理局关于印发中山市电梯产业标准体系的通知_页面_67.jpg4、中市监函〔2021〕301号   中山市市场监督管理局关于印发中山市电梯产业标准体系的通知_页面_66.jpg4、中市监函〔2021〕301号   中山市市场监督管理局关于印发中山市电梯产业标准体系的通知_页面_65.jpg4、中市监函〔2021〕301号   中山市市场监督管理局关于印发中山市电梯产业标准体系的通知_页面_64.jpg4、中市监函〔2021〕301号   中山市市场监督管理局关于印发中山市电梯产业标准体系的通知_页面_63.jpg4、中市监函〔2021〕301号   中山市市场监督管理局关于印发中山市电梯产业标准体系的通知_页面_62.jpg4、中市监函〔2021〕301号   中山市市场监督管理局关于印发中山市电梯产业标准体系的通知_页面_61.jpg4、中市监函〔2021〕301号   中山市市场监督管理局关于印发中山市电梯产业标准体系的通知_页面_60.jpg4、中市监函〔2021〕301号   中山市市场监督管理局关于印发中山市电梯产业标准体系的通知_页面_59.jpg4、中市监函〔2021〕301号   中山市市场监督管理局关于印发中山市电梯产业标准体系的通知_页面_58.jpg4、中市监函〔2021〕301号   中山市市场监督管理局关于印发中山市电梯产业标准体系的通知_页面_57.jpg4、中市监函〔2021〕301号   中山市市场监督管理局关于印发中山市电梯产业标准体系的通知_页面_56.jpg4、中市监函〔2021〕301号   中山市市场监督管理局关于印发中山市电梯产业标准体系的通知_页面_55.jpg4、中市监函〔2021〕301号   中山市市场监督管理局关于印发中山市电梯产业标准体系的通知_页面_54.jpg4、中市监函〔2021〕301号   中山市市场监督管理局关于印发中山市电梯产业标准体系的通知_页面_53.jpg4、中市监函〔2021〕301号   中山市市场监督管理局关于印发中山市电梯产业标准体系的通知_页面_52.jpg4、中市监函〔2021〕301号   中山市市场监督管理局关于印发中山市电梯产业标准体系的通知_页面_51.jpg4、中市监函〔2021〕301号   中山市市场监督管理局关于印发中山市电梯产业标准体系的通知_页面_50.jpg4、中市监函〔2021〕301号   中山市市场监督管理局关于印发中山市电梯产业标准体系的通知_页面_49.jpg4、中市监函〔2021〕301号   中山市市场监督管理局关于印发中山市电梯产业标准体系的通知_页面_48.jpg4、中市监函〔2021〕301号   中山市市场监督管理局关于印发中山市电梯产业标准体系的通知_页面_47.jpg4、中市监函〔2021〕301号   中山市市场监督管理局关于印发中山市电梯产业标准体系的通知_页面_46.jpg4、中市监函〔2021〕301号   中山市市场监督管理局关于印发中山市电梯产业标准体系的通知_页面_45.jpg4、中市监函〔2021〕301号   中山市市场监督管理局关于印发中山市电梯产业标准体系的通知_页面_44.jpg4、中市监函〔2021〕301号   中山市市场监督管理局关于印发中山市电梯产业标准体系的通知_页面_43.jpg4、中市监函〔2021〕301号   中山市市场监督管理局关于印发中山市电梯产业标准体系的通知_页面_42.jpg4、中市监函〔2021〕301号   中山市市场监督管理局关于印发中山市电梯产业标准体系的通知_页面_41.jpg4、中市监函〔2021〕301号   中山市市场监督管理局关于印发中山市电梯产业标准体系的通知_页面_40.jpg4、中市监函〔2021〕301号   中山市市场监督管理局关于印发中山市电梯产业标准体系的通知_页面_39.jpg4、中市监函〔2021〕301号   中山市市场监督管理局关于印发中山市电梯产业标准体系的通知_页面_38.jpg4、中市监函〔2021〕301号   中山市市场监督管理局关于印发中山市电梯产业标准体系的通知_页面_37.jpg4、中市监函〔2021〕301号   中山市市场监督管理局关于印发中山市电梯产业标准体系的通知_页面_36.jpg4、中市监函〔2021〕301号   中山市市场监督管理局关于印发中山市电梯产业标准体系的通知_页面_35.jpg4、中市监函〔2021〕301号   中山市市场监督管理局关于印发中山市电梯产业标准体系的通知_页面_34.jpg4、中市监函〔2021〕301号   中山市市场监督管理局关于印发中山市电梯产业标准体系的通知_页面_33.jpg4、中市监函〔2021〕301号   中山市市场监督管理局关于印发中山市电梯产业标准体系的通知_页面_32.jpg4、中市监函〔2021〕301号   中山市市场监督管理局关于印发中山市电梯产业标准体系的通知_页面_31.jpg4、中市监函〔2021〕301号   中山市市场监督管理局关于印发中山市电梯产业标准体系的通知_页面_30.jpg4、中市监函〔2021〕301号   中山市市场监督管理局关于印发中山市电梯产业标准体系的通知_页面_29.jpg4、中市监函〔2021〕301号   中山市市场监督管理局关于印发中山市电梯产业标准体系的通知_页面_28.jpg4、中市监函〔2021〕301号   中山市市场监督管理局关于印发中山市电梯产业标准体系的通知_页面_27.jpg4、中市监函〔2021〕301号   中山市市场监督管理局关于印发中山市电梯产业标准体系的通知_页面_26.jpg4、中市监函〔2021〕301号   中山市市场监督管理局关于印发中山市电梯产业标准体系的通知_页面_25.jpg4、中市监函〔2021〕301号   中山市市场监督管理局关于印发中山市电梯产业标准体系的通知_页面_24.jpg4、中市监函〔2021〕301号   中山市市场监督管理局关于印发中山市电梯产业标准体系的通知_页面_23.jpg4、中市监函〔2021〕301号   中山市市场监督管理局关于印发中山市电梯产业标准体系的通知_页面_22.jpg4、中市监函〔2021〕301号   中山市市场监督管理局关于印发中山市电梯产业标准体系的通知_页面_21.jpg4、中市监函〔2021〕301号   中山市市场监督管理局关于印发中山市电梯产业标准体系的通知_页面_20.jpg4、中市监函〔2021〕301号   中山市市场监督管理局关于印发中山市电梯产业标准体系的通知_页面_19.jpg

联系我们

微信公众号:中山标码

服务电话:0760-88220326

邮箱地址:zszjbms@163.com

服务地址:广东省中山市博爱六路48号

qr

微信公众号


深圳标准 中山市商品条码办理平台 全国标准信息服务平台 深圳标准信息服务平台 企业标准信息公共服务平台 中山市TBT预警防控平台

Copyright © 2006-2026 广东省中山市质量技术监督标准与编码所 粤ICP备16102584号-2

2026-01-01 访问量: 2484823